焦化废气含有沥青烟、苯并芘及苯类等有害物质,如果直接排放,会造成大气污染,影响当地的生态环境。因此,对焦化废气进行VOCs废气处理并使其达标排放,是焦化行业可持续发展的必然要求。
某焦化化工厂是生产苯类、酚类、萘类、树脂类、盐类等化工产品为主的煤化工综合利用企业,该化工厂在正常生产过程中会产生温度为20~50℃、流量为4000~18000m3/h的焦化废气,按照国家相关废气排放标准的规定,若要将VOCs废气处理净化达标,需要由3台蓄热室组成的大型蓄热式燃烧装置(RTO)进行净化。

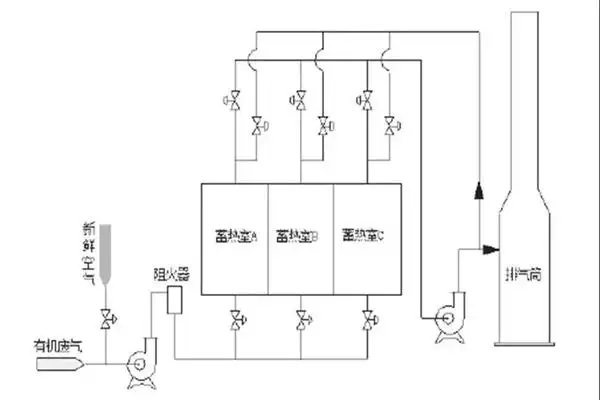
三室蓄热式燃烧装置
RTO设备正常运行时,废气的进气和排气通过阀门切换来完成。
第1个工作周期中,废气自下而上经A蓄热室升温,然后进入燃烧室氧化放热;氧化放热结束后,自上而下通过B蓄热室,与蓄热室内的填料进行换热,将热量传递给B蓄热室,再经过工艺管路进入烟囱排放;此时C蓄热室处于吹扫状态,用吹扫风机将蓄热室(含集气室)中的滞留废气吹入燃烧室氧化处理,防止因蓄热室的切换过程影响废气处理效率。
第2个工作周期中,A蓄热室处于吹扫状态,废气自下而上进入B蓄热室,与已吸收热量的填料进行换热后,进入燃烧室氧化放热,再自上而下通过C蓄热室,并将热量传递给C蓄热室后,进入烟囱。
第3个工作周期中,B蓄热室处于吹扫状态,废气由C蓄热室进入,氧化放热后,通过A蓄热室进入烟囱,完成了RTO装置运行的1个大周期,如此交替运行。

三室蓄热式燃烧装置工艺图
朴华科技是一家专业的环保设备生产厂家,拥有十多年的有机废气处理、粉尘治理、脱硫脱硝、污水治理、油烟净化大型项目经验,并可对整套设备进行优化改良,提供相关设备的制造、安装、调试等服务,欢迎广大客户前来咨询,全国统一服务热线:158-9013-7611。